Уведомить о наличии
Авторизуйтесь, чтобы хранить историю заказа
| Артикул | ЕВРО-3-1101010 |
| Производитель | АвтоТехнология |
| Вес, кг | 70 |
| Габариты, см | 138 x 53 x 65 |
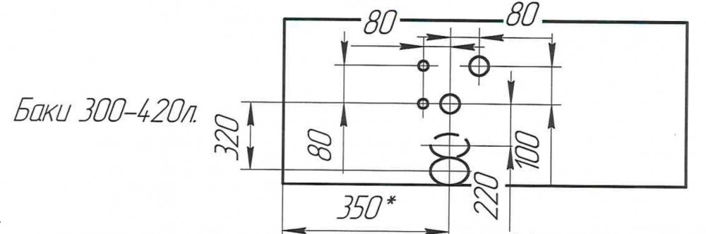
Сливная пробка приваривается по центру бака напротив горловины
Фирма ООО "ТД "КамаЦентрСервис" (г. Набережные Челны) создана в 2003 г. с целью обеспечения предприятий необходимыми запчастями к грузовым автомобилям и спецтехнике ПАО "КамАЗ", "НЕФАЗ". За это время компания заработала определённый авторитет в сфере продажи прицепов и полуприцепов производства НЕФАЗ, запчастей КамАЗ, наработала связи с клиентами по всей стране и имеет постоянных партнеров по продажам запчастей и техники КамАЗ, НЕФАЗ в городах: Москва, Санкт-Петербург, Казань, Тюмень, Красноярск, Екатеринбург, Уфа, Иркутск, Челябинск, Нижний Новгород, Новосибирск, Самара, Пермь, Саратов и др.
Калькуляторы доставки
Калькуляторы доставки
Вы недавно смотрели
494011031507
| Артикул | 494011031507 |
| Производитель | "SORL Ruili Group China" |
5980 Р
Заказать больше





